Купить блок решетка ТШПМ-2,0 в Туле

Изготовим
под заказ
Цена с НДС на блок решетка ТШПМ-2,0 с доставкой в
от 180 000 рублей
Условия в
В наличии на складе
Доставка ТК по России и Казахстану
Безналичный расчет
Блок решетка ТШПМ
Блок решетка ТШПМ
Блок решетка ТШПМ
Видеообзор
Технические
характеристики
Описание
товара
Сертификаты
и гарантии

Технические характеристики

Тип оборудования Топка ТШПМ
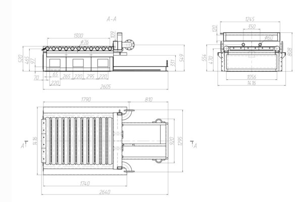
Блок решетка ТШПМ 2.0 чертеж
Чертеж блок решетки ТШПМ 2.0

Купить блок решетку ТШПМ-2,0

Для того, чтобы купить блок решетку ТШПМ-2,0 вы можете сделать заявку в отдел сбыта по телефону 8-800-700-06-43, либо оформить заказ он-лайн. Инженеры-консультанты дадут консультацию и рассчитают стоимость доставки. Транспортирование запасных частей топки ТШПМ может осуществляться автотранспортом, ж/д полувагонами и речным транспортом.

Сертификат для топок
Сертификат на топки

Отзывы о продукции

Другая похожая продукция

838 000 ₽
Котел КВм 2.0 ТШПМ
Котел КВм 2.0 с ТШПМ
Максимальная тепловая мощность, МВт 2, 2.0
Топливо Твердое, Уголь
Вид топки ТШПМ, Механическая
Отапливаемая площадь, м² от 16700 до 21900
1 742 000 ₽
10 900 ₽
180 000 ₽
20 000 ₽